|
Фрагменты схем
|
|
| geo127 | Дата: Пятница, 15.03.2024, 08:04 | Сообщение # 1 |
|
Лейтенант
Группа: Администраторы
Сообщений: 54
Статус: Offline
| Здесь планируется размещать некоторые посетившие идеи. В данном случае, показалось необходимым добавить по одному pnp транзистору в плечо под эмиттеры модулирующих. Как раз нашлось применение двум оставшимся промежуточным источникам. Второй динамик не показан, чтобы схема не была слишком перегружена.
|
| |
|
|
| geo127 | Дата: Вторник, 26.03.2024, 17:59 | Сообщение # 2 |
|
Лейтенант
Группа: Администраторы
Сообщений: 54
Статус: Offline
| Исповедуя принцип "комфортного социализма", необходимо выразить уверенность, что коллекторы в pnp транзисторах совершенно не закрыты. А "закрыть" их возможно, только, если "залезть" в выпрямление основных источников.
|
| |
|
|
| geo127 | Дата: Вторник, 02.04.2024, 08:56 | Сообщение # 3 |
|
Лейтенант
Группа: Администраторы
Сообщений: 54
Статус: Offline
| Приблизительно таким образом:
 Да, придется добавить еще четыре источника. Итого получилось шестнадцать дополнительных стабилизированных источников и шестнадцать транзисторов, два из которых pnp проводимости.
|
| |
|
|
| geo127 | Дата: Воскресенье, 12.05.2024, 21:18 | Сообщение # 4 |
|
Лейтенант
Группа: Администраторы
Сообщений: 54
Статус: Offline
| Что-то не очень по душе третья вторичная обмотка модулирующего трансформатора. Есть риск потери когерентности. Более того, сократится запас по отсечке и перехода в ав. Сейчас, при имеющейся на настоящий момент схеме, отсечка случается в режиме 1:1 и редко при 2:1. Все, что ниже, работает без отсечки. Я лично ее отчетливо слышу. "Громкости", даже, в режиме 10:1 хватает более чем. И вот пришла идея избавиться от взаимозависимости межу плечами. Как-то так:
|
| |
|
|
| geo127 | Дата: Воскресенье, 12.05.2024, 21:27 | Сообщение # 5 |
|
Лейтенант
Группа: Администраторы
Сообщений: 54
Статус: Offline
| Думал, думал... А зачем делать еще две обмотки, когда их можно упразднить без ущерба для результата? И вот, что имеем:

По-моему прекрасно. Отсутствует гальваническая связь между плечами (пускай, даже, динамическая), когерентность сохраняется. Вообще, "ваять" и моделировать необходимо исходя из бесконечности ресурсов. Ни один фактор не должен сдерживать полет мысли. А сэкономить всегда успеем. Осталось еще "раскинуть мозгами" над выпрямлением.
|
| |
|
|
| geo127 | Дата: Воскресенье, 01.09.2024, 10:20 | Сообщение # 6 |
|
Лейтенант
Группа: Администраторы
Сообщений: 54
Статус: Offline
| Как обычно выглядит схема ОЭ?

Схема ОК:

Здесь модулирующий сигнал проходит через нагрузку, что не очень желательно, так как реальный динамик имеет паразитные колебания с генерацией ЭДС. Вместо него лучше ставить что-то безинерционное: резистор, обмотку трансформатора, либо ничего. И схема ОК без нагрузки:
 Здесь минус источника смещения соединен также, как и в ОЭ с минусом своего основного источника, только минус источника смещения не соединен с эмиттером модулирующего транзистора. Другой вопрос, что минусов основных источников два: один токовый, другой цирклотроновый. Что из них сработает, покажет эксперимент.
Так выглядит имеющаяся схема со смешанным подключением модуляции:

Зачем это нужно? В ОК есть некоторые нюансы подачи, которые недоступны в ОЭ и наоборот.
|
| |
|
|
| geo127 | Дата: Пятница, 04.10.2024, 09:25 | Сообщение # 7 |
|
Лейтенант
Группа: Администраторы
Сообщений: 54
Статус: Offline
| Хотя такой вариант, со смешанным смещением, должен быть предпочтительнее:
|
| |
|
|
| geo127 | Дата: Среда, 27.11.2024, 21:26 | Сообщение # 8 |
|
Лейтенант
Группа: Администраторы
Сообщений: 54
Статус: Offline
| И тем не менее, не дает покоя организация модулирующего контура. Еще такой вариант:
|
| |
|
|
| geo127 | Дата: Пятница, 04.04.2025, 07:13 | Сообщение # 9 |
|
Лейтенант
Группа: Администраторы
Сообщений: 54
Статус: Offline
| После прошествия, почти четырех лет, с момента конструирования первого моноблока, есть что сказать. С этой безрезисторной топологией, особенно с токовыми контурами, нужно быть осторожнее при прослушивании. Да, с подачей от них можно "насытиться" очень быстро, от нескольких треков. Но они должны быть с положительным посылом и энергетикой. Эти конструкции очень влияют на ментальное тело человека, оно может быть легко повреждено и, чтобы вылечить искажения потребуется время. Будьте осторожны.
|
| |
|
|
| geo127 | Дата: Пятница, 16.05.2025, 18:32 | Сообщение # 10 |
|
Лейтенант
Группа: Администраторы
Сообщений: 54
Статус: Offline
|
|
| |
|
|
| geo127 | Дата: Воскресенье, 18.05.2025, 17:09 | Сообщение # 11 |
|
Лейтенант
Группа: Администраторы
Сообщений: 54
Статус: Offline
| И все же первичка должна быть трехфазным треугольником:
|
| |
|
|
| geo127 | Дата: Понедельник, 02.06.2025, 17:14 | Сообщение # 12 |
|
Лейтенант
Группа: Администраторы
Сообщений: 54
Статус: Offline
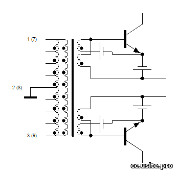
| С управлением модулирующих транзисторов не совсем понятно. Оно должно быть смешанным, но есть ли преимущества от такой обратной связи.
|
| |
|
|
| geo127 | Дата: Вторник, 26.08.2025, 17:20 | Сообщение # 13 |
|
Лейтенант
Группа: Администраторы
Сообщений: 54
Статус: Offline
| В общем, блок питания с применением биполярных транзисторов получается работающим таким, как показан красным цветом. Шунтирующие диоды служат для ускорения заряда сглаживающего конденсатора. Эти диоды можно подключить и через отдельные обмотки трансформатора, результат будет тем же. Остальная часть схемы показана для примера.
|
| |
|
|