|
ЦАП
|
|
| geo127 | Дата: Суббота, 01.02.2025, 16:04 | Сообщение # 31 |
|
Лейтенант
Группа: Администраторы
Сообщений: 54
Статус: Offline
| Затем момент переключения источников питания:

Естественно от линейного бп идет двойной моножильный провод (от какой-то проводки).

Да, конденсатор на штекере питания - полимерник 100 х 25 в. Это лучше, чем ферритовый "ошейник" для конечного результата. Значения напряжений на штекере питания. Родной 12,15 в, линейный 12,54 в. Второе напряжение измерено при включенном цапе. Пример
|
| |
|
|
| geo127 | Дата: Суббота, 01.02.2025, 16:06 | Сообщение # 32 |
|
Лейтенант
Группа: Администраторы
Сообщений: 54
Статус: Offline
| Понятно, что замена бп на линейный тут же сожгла мост в прошлое, т.е. осталось сделать к нему коробочку и на этом с апгрейдом данного цапа можно поставить точку. И всё же....
|
| |
|
|
| geo127 | Дата: Суббота, 01.02.2025, 16:07 | Сообщение # 33 |
|
Лейтенант
Группа: Администраторы
Сообщений: 54
Статус: Offline
| Он так и останется игрушкой...
|
| |
|
|
| geo127 | Дата: Суббота, 05.04.2025, 20:21 | Сообщение # 34 |
|
Лейтенант
Группа: Администраторы
Сообщений: 54
Статус: Offline
| Процесс "материализации" другого цапа начинает принимать, едва уловимые, очертания. Пришли четыре кольца MSTAN-80A-TH отсюда: https://mstator.ru/products/cores/mstan
|
| |
|
|
| geo127 | Дата: Среда, 30.04.2025, 09:40 | Сообщение # 35 |
|
Лейтенант
Группа: Администраторы
Сообщений: 54
Статус: Offline
| Вот такие:

|
| |
|
|
| geo127 | Дата: Воскресенье, 02.11.2025, 08:53 | Сообщение # 36 |
|
Лейтенант
Группа: Администраторы
Сообщений: 54
Статус: Offline
| Какие-то контуры прорисовываются. Разжившись плеером eversolo dmp-a8 и залив на добавленный жесткий диск несколько треков в dsd формате, подключил hdmi выход напрямую к усилителям. Ну что сказать, такой вариант победил и встроенный цап, и внешний цап. Придется делать, так называемый zero dac.
|
| |
|
|
| geo127 | Дата: Понедельник, 24.11.2025, 12:07 | Сообщение # 37 |
|
Лейтенант
Группа: Администраторы
Сообщений: 54
Статус: Offline
| Это схема дака: Дак
|
| |
|
|
| geo127 | Дата: Понедельник, 24.11.2025, 12:10 | Сообщение # 38 |
|
Лейтенант
Группа: Администраторы
Сообщений: 54
Статус: Offline
| БП к нему: БП
|
| |
|
|
| geo127 | Дата: Среда, 18.03.2026, 17:37 | Сообщение # 39 |
|
Лейтенант
Группа: Администраторы
Сообщений: 54
Статус: Offline
| Вырисовываются контуры зеро-дака-преда:
 Все транзисторы КТ863А, диоды 80SQ045.
|
| |
|
|
| geo127 | Дата: Среда, 18.03.2026, 17:45 | Сообщение # 40 |
|
Лейтенант
Группа: Администраторы
Сообщений: 54
Статус: Offline
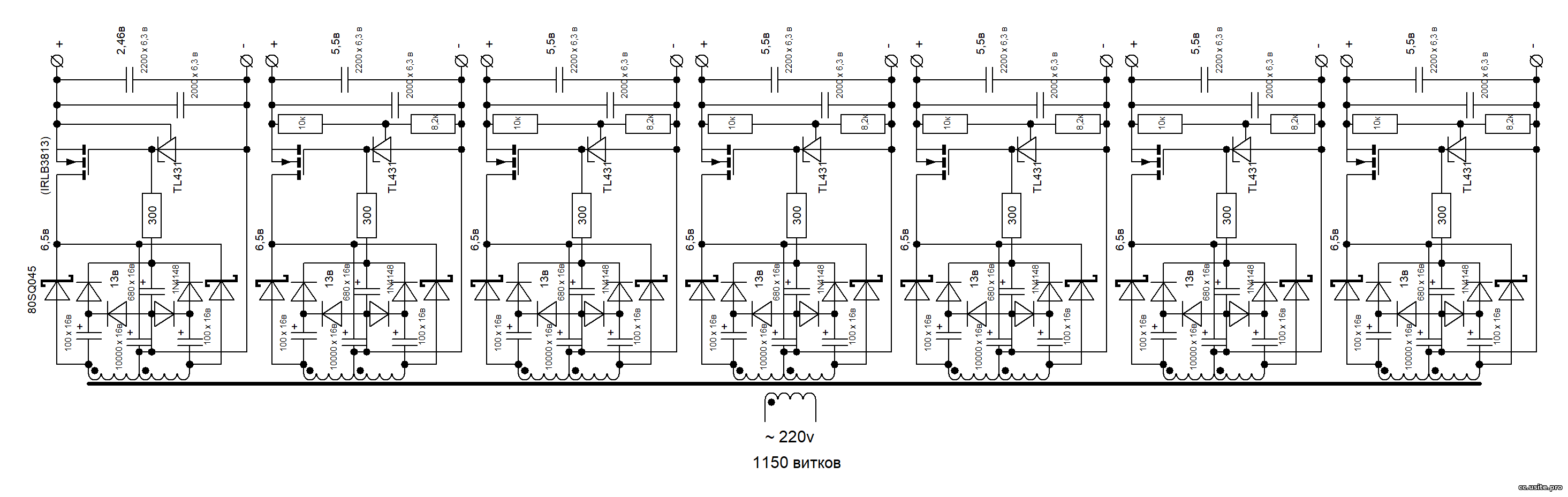
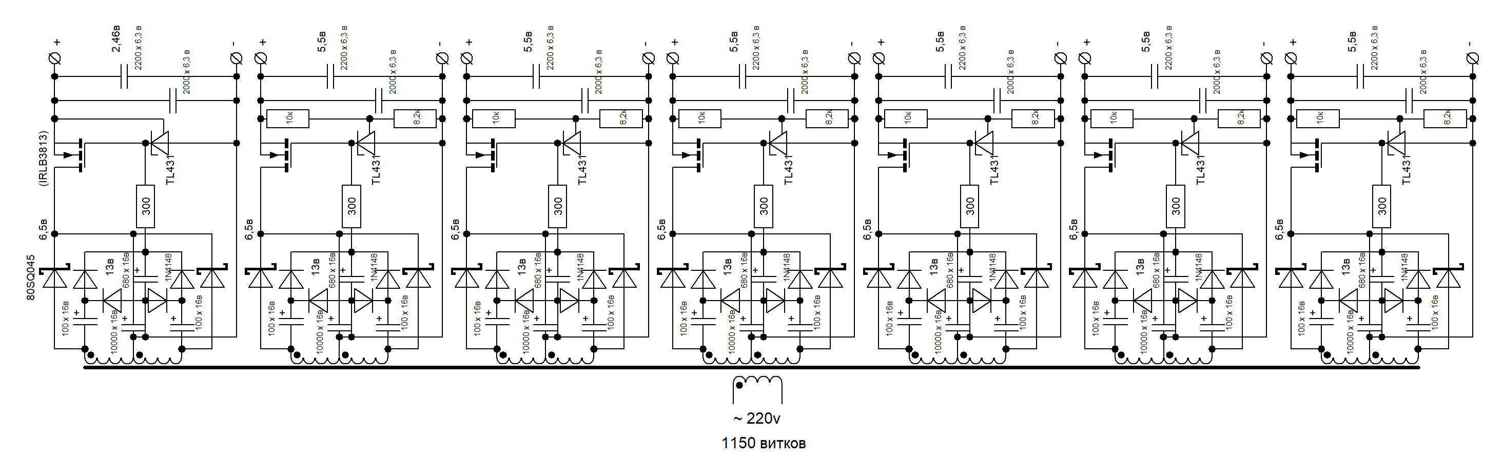
| Блок питания промежуточных источников к нему:
|
| |
|
|
| geo127 | Дата: Вторник, 31.03.2026, 19:30 | Сообщение # 41 |
|
Лейтенант
Группа: Администраторы
Сообщений: 54
Статус: Offline
| Отступлю от темы немного и расскажу истоки причины занятий этим хобби. Вспомнился триггер, который запустил процесс творчества всяких аудио поделок. Сидели мы как-то с ребятами в школьной радиорубке, был вечер. Я принёс пару бутылок жигулевского пива по 45 коп., чтобы проставиться за свой наступивший д.р. (а он у меня аккурат 23.02.). Сидим, ребята анекдоты рассказывают и записывают их на катушечник "Тембр" - такой округлый большой чемодан. Ну, посмеялись и пошли на улицу курить, я с ними за компанию постоять (сам не курю и пиво не пил). Прошло минут 7-8, мне стало холодновато и я пошел в радиорубку, поднявшись по лестнице и подойдя к открытой двери помещения, я услышал те самые анекдоты, которые слышал при записи. И тут случился триггер. Звучали голоса живых людей. Вихрем пронеслись мысли: "как я оказался снаружи двери и вне помещения?", "я только что пришел с улицы и ребята остались там докуривать". Сейчас это можно было бы назвать модным термином "сбой матрицы". Осторожно заглянув в проём двери я увидел пустую комнату. На магнитофоне крутились катушки... И вот та натуральность подачи так и стоит до сих пор в ощущениях, как эталон. Шла первая декада марта 1983 года... Теперь, уже, многое достигнуто по этому хобби, и натуральность и иммерсивность. Но тот стрессовый импульс так и остался отправной точкой, запустивший процесс творчества.
|
| |
|
|